OptiFlex

Algorithm-based optimization of separation processes using the example of paper recycling

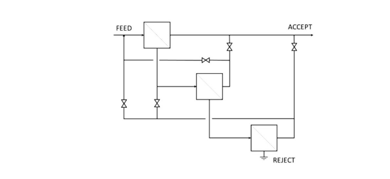
The collaborative project aims to investigate the potential of efficiency improvement at different levels by studying recycling plants in which the individual separation processes can be flexibly interconnected. The project is funded by the Förderinitiative Interdisziplinäre Forschung and takes place in cooperation with the Department of Management Science/Operations Research.

The paper industry is in a state of change as sustainability goals are increasingly taken into account by customers and resources such as recovered paper, water, and energy become more expensive. Today's plants, whose design has been fixed at the time of construction and can be changed merely in the wake of reconstruction, are able to meet the changing requirements only at the expense of inefficiency. The collaborative project aims to investigate the potential of efficiency improvement at different levels by studying recycling plants in which the individual separation processes can be flexibly interconnected. For these plants, modern decision-making methods based on machine learning algorithms are to be developed, which are capable of suggesting promising circuit configurations for complex setups and multi-criteria objectives. In this way, it should be possible to meet customer requirements in the future, whether for CO2-reduced or pure white paper, and at the same time to produce in a resource-saving and cost-efficient manner.